Délai de mise en œuvre :
about 45Port d'expédition :
port of Xiamenpaiement :
T/T or L/C
CU Purlin Roll Forming Machine For Solar Industry


1.Main features of CU purlin roll forming machine
The advantages of CU purlin machine are as follows:
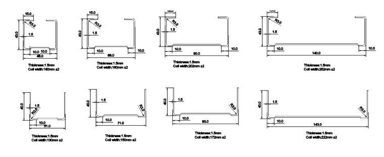
1.Accurate profiles,similar as Samco Purlin Roll forming Line for Solar Profiles
2.Beautiful appearance.
3.Stable and high efficiency.
4.Easy operation, low maintenance cost
2.Detailed Images of CU purlin roll forming machine
Machine Parts
1) CU purlin machine arc feeding and leveling device
Brand: BMS Original: China
Automatic feeding control

2) CU purlin machine punching system

3) CU purlin machine hydraulic pre-cutter

4) CU purlin machine rollers
Rollers manufactured from high quality bearing steel GCr15, CNC lathes, Heat Treatment.
with black treatment or Hard-Chrome Coating for options.
With feeding material guide, body framemade from 400# H type steel by welding
5) CU purlin machine post cutter
Made by high quality mold steel Cr12 with heat treatment
Cutter
frame made from high quality 30mm steel plate by welding
Pre-punching & Pre-cutting,
stop to punch, stop to cut
hydraulic motor:5.5KW,
Hydraulic pressure range: 0-16Mpa
6) CU purlin machine product show

7) CU purlin roll forming machine decoiler
Manual Decoiler: one set
Un-powered,manually control steel coil inner bore shrinkage and stop
Max. feeding width: 500mm, coil ID range 500mm±30mm
Capacity: Max. 3Ton

With 3 tons hydraulic decoiler for option

8) CU purlin machine exit rack
Un-powered,two units
Other details of CU purlin roll forming machine
Suitable for material with thickness 1.0-3.0mm
Shafts manufactured from 45#,Main shaft diameter=φ55/70mm,precision machined
Motor driving,Gear chain transmission, 15 rollers to form.
Main motor=7.5KW , Frequency speed control. Forming speed approx.18m/min
PLC Control System (Touch screen:German Schneider Electric/Taiwan WEINVIEW,
Inverter :Taiwan DELTA/SHILIN,Encoder :Japan Koyo/OMRON)
Combined with: PLC, Inverter, Touch Screen, Encoder, etc
Cut-to-length tolerance≤±2 mm
Control Voltage 24V
User's manual in English
After-sale service of CU purlin roll forming machine
1. The warranty of CU purlin roll forming machine
is one year after the client receives the machine.
Within the one year, we will courier the replacement parts to the client free of charge.
2. We offer technical support for the entire life of our machines.
3. We can send our technicians to install and train the workers in the clients' factories with extra cost.
Terms of trade
1. Minimum order quantity (MOQ): 1 piece
2. Delivery time: about 45 workdays
3. Port of loading: port of Xiamen
4. Type of payment: by T/T or by L/C
5. Export: Australia, UK, Ireland, Mexico, Brazil ,Israel ,Dubai, Russia ,India, Taiwan, Singapore,
Malaysia ,Thailand, Philippines, Myanmar ,Vietnam, South Africa, Mozambique,
Zambia, Zimbabwe, Nigeria, Egypt, Sudan, etc.